基本情報
- タイプ
- Surface mount
- 作動力
- 1.2N
- 操作音
- 静音
- 操作方向
- トッププッシュ
- 移動量
- 0.3mm
- 製品高さ
- 3.55mm
- 動作寿命
- 5,000,000 cycles
- 初期接触抵抗
- 100mΩ max.
- 防水・防塵
- IP6X相当
- ステム色調
- Black
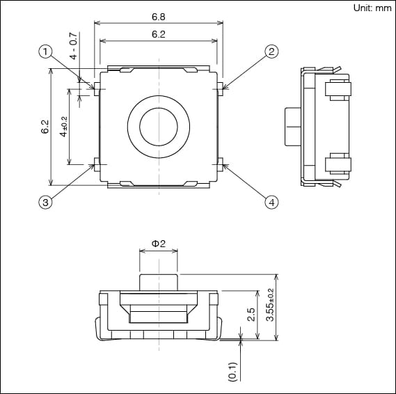
- 外形サイズ(W×D×H)
- 6.2×6.2×3.55
仕様
- シリーズタイプ
- シャープフィーリングタイプ
- 使用温度範囲
- -40℃ ~ +90℃
- 絶対最大定格
- 50mA 12V DC
- 最小定格
- 10μA 1V DC
- 電気的性能
- 絶縁抵抗
- 100MΩ min. 100V DC for 1 min.
- 耐電圧
- 250V AC for 1 min.
- 耐久性能
- 耐振性
- 10 ~ 55 ~ 10Hz/分、全振幅1.5mm、X. Y. Z 3方向 各2時間
- 耐候性
- 耐寒性
- -40℃ 500h
- 耐熱性
- 90℃ 500h
- 耐湿性
- 60℃, 90 ~ 95%RH 500h
- 最小発注単位(pcs.)
- 国内
- 3,000
- 輸出
- 3,000
ランド寸法図
スイッチ取付面より見る
梱包仕様
テーピング

- 梱包数(pcs.)
-
- 1リール
- 3,000
- 1箱/国内
- 30,000
- 1箱/輸梱
- 30,000
- リール幅 W(mm)
- 13.5
- テープ幅(mm)
- 12
- 輸出梱包箱寸法(mm)
- 395×395×205
はんだ付条件
リフローの場合
- 加熱方式
遠赤外線加熱による上下加熱方式とする。 - 温度測定方式
Φ0.1~Φ0.2のCA (K)またはCC (T)を用い測定。位置ははんだ接合部(銅箔面)で測定。固定方式は耐熱テープを使用する。 - 温度プロファイル

(1) 上記条件は、プリント基板の部品表面上の温度です。基板の材質、大きさ、厚さなどにより基板温度とスイッチ表面温度が大きく異なる場合がありますので、スイッチ表面温度が260℃以上にならないようご注意ください。
(2) リフロー槽の種類により多少条件が異なりますので、事前に十分確認の上ご使用してください。
- はんだ回数:2 times Max.
手はんだの場合
- はんだ温度
- 350℃ max.
- 連続はんだ時間
- 3s max.
- はんだコテ容量
- 60W max.
- タクトスイッチ®の洗浄は行わないでください。
- タクトスイッチ®の上面からフラックスが浸入しないようにしてください。
- 事前にスイッチの端子およびプリント基板の部品実装面上にフラックスを塗らないようにしてください。
- はんだ付けの2回目を行う場合は、スイッチが常温に戻ってから行ってください。
会員限定コンテンツ
SKRACBE010
MEMBERS ONLY
製品図
材料表
F-Sカーブ
当シリーズ共通の注記
- 当サイトの製品情報は概略仕様です。ご使用にあたっては正式納入仕様書の取交わしをお願いします。
- テーピング品は、最小発注単位(1リール、1箱)のN倍でご注文をお願いいたします。
- 保護構造 :
スイッチは、動作させずに放置状態とします。規定の条件後は、スイッチのON-OFF機能に甚大な影響を伴う粉塵や水の侵入がないこととします。
IP67相当(耐塵性・耐水性)は、スイッチ単品状態においての保証であり、実装状態や使われ方によっては性能を保証できない場合があります。
ご使用上の注意
- 端子をはんだ付けされる場合、端子に荷重が加わりますと条件により、がた、変形および電気的特性劣化のおそれがありますのでご注意ください。
- スルーホールのプリント基板および推奨板厚以外の基板をご使用される場合は、推奨基板よりも熱ストレスの影響が大きくなる可能性がありますので、はんだ付け条件については事前に十分ご確認ください。
- はんだ付けを2回行う場合、 1回目のはんだ付け部が常温に戻ってから行ってください。 続けて加熱しますと外郭部の変形、 端子のがた、 脱落および電気的特性劣化のおそれがあります。
- はんだ付けの条件の設定については、 実際の量産条件で確認されるようお願いいたします。
- はんだ付け後、溶剤等でスイッチを洗浄しないでください。
- 本製品は直流の抵抗負荷を想定して設計・製造されています。 その他の負荷 [誘導性負荷 (L)、容量性負荷 (C)] でご使用される場合は、 別途ご相談ください。
- プリント基板取付穴およびパターンは、製品図に記載されている推奨寸法をご参照ください。
- 当スイッチは、直接人の操作を介してスイッチを押す構造にてご使用下さい。メカ的な検出機能へのご使用は避けてください。検出機能には弊社検出スイッチをご使用下さい。
- スイッチ操作時に規定以上の荷重が加わるとスイッチが破損する場合があります。 スイッチに規定荷重以上の力が加わらないようにご注意ください。
- 操作部を横から押すような使い方は、お避けください。
- フラットステムタイプにおいては、なるべくスイッチの中心部を押すようにしてください。ヒンジ構造の場合は、押下時ステム押し位置が移動しますので、特にご注意ください。
- スイッチを取付けた後、他の部品の接着剤硬化のため熱硬化炉を通す場合は、当社にご相談ください。
- タクトスイッチ®を使用するセットの周辺部材から腐食性ガスが発生しますと、接触不良などの不具合の原因になるおそれがありますので、事前に十分ご確認ください。
- カーボン接点の場合、押圧荷重により接触抵抗が変化する特性があります。電圧分圧回路などに使用する際は十分にご確認の上、ご使用ください。
- 防塵タイプ以外のものについては、異物の侵入に十分ご注意ください。
- 保管方法
- 製品は納入形態のまま常温、 常湿で直射日光が当たらず腐食性ガスの発生しない場所に保管し、 納入から6ヶ月以内を限度としてできるだけ早くご使用ください。
- 開封後はポリ袋で外気との遮断を図り上記と同じ環境下で保管し、すみやかにご使用ください。
- 過剰な積重ねは行わないでください。
- スイッチの操作部を押し切ったままでの保存はしないでください。
- タクトスイッチは、アルプスアルパイン株式会社の商標もしくは登録商標です。