基本情報
- 回路数
- 1
- 接点数
- 1
- 端子形状
- For PC board (Reflow)
- 作動力
- 0.3N max.
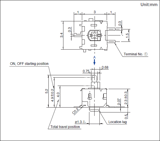
- スライド高さ(mm)
- 5.2
- ON位置(mm)
- 4.9
- 全移動量位置(mm)
- 4.0
- 取付高さ
- Standard
- 位置決めピン
- あり
- 外形サイズ(W×D×H)
- 3.4×3.0×2.3mm
仕様
- 使用温度範囲
- -10℃ ~ +60℃
- 最大定格/最小定格(抵抗負荷)
- 0.1A 30V DC/50μA 3V DC
- 電気的性能
- 接触抵抗(初期/寿命後)
- 500mΩ max./1Ω max.
- 絶縁抵抗
- 100MΩ min. 100V DC
- 耐電圧
- 100V AC for 1 minute
- 機械的性能
- 端子強度
- 0.5N for 1 minute
- 操作部強度
- 5N
- 耐久性能
- 無負荷寿命
- 50,000 cycles 1Ω max.
- 負荷寿命(最大定格負荷にて)
- 50,000 cycles 1Ω max.
- 耐候性
- 耐寒性
- -20℃ 96h
- 耐熱性
- 85℃ 96h
- 耐湿性
- 40℃, 90 ~ 95%RH 96h
- 最小発注単位(pcs.)
- 国内
- 2,000
- 輸出
- 16,000
ランド寸法図
端子配列
梱包仕様
テーピング

- 梱包数(pcs.)
-
- 1リール
- 2,000
- 1箱/国内
- 4,000
- 1箱/輸梱
- 16,000
- テープ幅(mm)
- 12
- 輸出梱包箱寸法(mm)
- 406×406×190
はんだ付条件
リフロー方式の参考例
- 加熱方式
遠赤外線加熱による上下加熱方式とする。 - 温度測定方式
φ0.1~φ0.2のCA(K)またはCC(T)を用い測定。位置ははんだ接合部(銅箔面)で測定。固定方式は耐熱テープを使用する。 - 温度プロファイル

| A(℃) 3s max. |
B(℃) | C(s) | D(℃) | E(℃) | F(s) |
|---|---|---|---|---|---|
| 260 | 230 | 40 | 180 | 150 | 120 |
(1) 上記条件は、プリント基板の部品実装面上の温度です。基板の材質、大きさ、厚さなどにより基板温度とスイッチ表面温度が大きく異なる場合がありますので、スイッチ表面温度についても上記条件内でご使用ください。
(2) リフロー槽の種類により、多少条件が異なりますので、事前に十分ご確認の上ご使用ください。
手はんだ方式の参考例
- はんだ温度
- 350±5℃
- はんだ付け時間
- 3s max.
当シリーズ共通の注記
- 当サイトの製品情報は概略仕様です。ご使用にあたっては正式納入仕様書の取交わしをお願いします。
- テーピング品は、最小発注単位(1リール、1箱)のN倍でご注文をお願いいたします。
ご使用上の注意
- 端子をはんだ付けされる場合、端子に荷重が加わりますと条件により、がた、変形および電気的特性劣化のおそれがありますのでご注意ください。
- はんだ付けの際、水溶性フラックスはスイッチを腐食させるおそれがありますのでご使用はお避けください。
- はんだ付けの条件設定については、実際の量産条件で確認されるようお願いいたします。
- 洗浄はできません。
- 当製品は直流の抵抗負荷を想定して設計・製造されています。その他の負荷 [誘導性負荷 (L)、容量性負荷 (C)] でご使用される場合は、別途ご相談ください。
- スイッチの機種ごとに規定されたバウンスやチャタリングでセットが誤動作しない回路設定(ソフト設定)をしていただきますようご注意ください。
- 使用温度範囲の上限付近および下限付近での長期間の連続使用はできませんのでご注意ください。使用条件の規定は製品仕様書の各種環境試験の範囲内となりますのでご注意ください。
- 使用温度上限および下限付近での連続動作を行う場合は、機種ごとに使用が可能かどうかの確認が必要となりますのでご注意ください。
- 車載用途には車載用として指定されたスイッチをご使用ください。車載用と指定していないスイッチをご使用にならないようにお願いします。
- ON開始位置から十分余裕をとった移動量位置(できるだけ全移動量に近い位置)でご使用していただくようご注意ください。
- スイッチの復帰力をセットのメカ部の駆動力として利用したご使用はできませんのでご注意ください。
- 工程内のプリント基板重ねや搬送時、操作部に横方向から力が加わらないようにご注意ください。
- とくに小型、薄型のスイッチはセット取付け工程において外力が加わらないようご注意ください。
- スルーホールのプリント基板および推奨板厚以外の基板をご使用される場合は、熱ストレスの影響が変化しますので、はんだ付け条件については事前に十分ご確認ください。
- 基板のソリによって特性が変化する場合がありますので、パターン設計・レイアウトについては十分考慮ください。
- 推奨板厚より薄い基板をご使用の際は、実装時のスイッチ浮きに十分ご注意ください。
- 塵埃が多い環境で使用されますと、塵埃が開口部から入り接触障害や動作不良の不具合の原因になるおそれがありますので、セット設計時に予めご配慮ください。
- スイッチを使用するセットの周辺部材から腐食性ガスが発生しますと、接触不良などの不具合の原因になることがありますので事前に十分にご確認ください。
- 保管方法
製品は納入形態のまま常温、常湿で直射日光の当たらず腐食性ガスが発生しない場所に保管し、納入から6ヵ月以内を限度としてできるだけ早くご使用ください。
なお、開封後はすみやかに全数量を使い切ってください。
測定・試験方法
- 回転トルク(作動力)
- 軸(レバー)を回転(移動)するのに必要なトルク(作動力)を測定する。特に規定がない限り、周囲温度5~35℃で行い、軸の回転速度は毎秒60°、レバーの移動速度は、毎秒20mmとする。
- 軸がた
- 基準面より、規定の曲げモーメントを互いに180°異なる方向から軸に直角に加えて、基準面から規定の位置における振れの大きさを測定する。
- 耐電圧
- 規定の箇所に交流電圧を1分間加え、アーク、焼損、絶縁破壊などの異常の有無を調べる。試験は、それぞれの端子を一括して行ってもよい。特に規定がない限り、下記の箇所の試験とする。ただし、構造上導通する機構になっているものでは、その部分の試験は行わない。
- 絶縁抵抗
- 規定の箇所を規定の電圧の絶縁抵抗計で測定する。特に規定がない限り、下記の箇所を試験する。
ただし、構造上導通する機構になっているものでは、その部分の試験は行わない。 - 耐電圧と絶縁抵抗の測定箇所
-
- 端子と軸(レバー)との間
- 端子と金属カバー(枠)との間
- 押しおよび引張り強度(レバーの押しおよび引張り強度)
- 軸(レバー)の軸線方向に規定の大きさの力をそれぞれ10秒間加えた後、操作部および関連部分の変形、破壊、動作状態を調べる。