Part number
SKUJBBE010
8.0mm Square Double Action Type (Surface Mount) SKUJ Series
Automotive
MEMBERS ONLY
Basic information
- Type
- Surface mount
- Operating force
- 1st 4.0N, 2nd 8.0N
- Operating direction
- Top push
- Travel
- 1st 0.5mm, All 0.95mm
- Product height
- 4.5mm
- Operating life
- 100,000 cycles
- Initial contact resistance
- 500mΩ max.
- Dimensions(W×D×H)
- 8.0×8.0×4.5mm
Specifications
- Series type
- Sharp feeling type
- Operating temperature range
- -40℃ to +90℃
- Absolute Maximum Ratings
- 50mA 16V DC
- Rating (min.)
- 10μA 1V DC
- Electrical performance
- Insulation resistance
- 100MΩ min. 100V DC for 1 min.
- Voltage proof
- 250V AC for 1 min.
- Durability
- Vibration
- 10 to 55 to 10Hz/min., the amplitude is 1.5mm for all the frequencies, in the 3 direction of X, Y and Z for 2 hours respectively
- Environmental performance
- Cold
- -40℃ 1000h
- Dry heat
- 90℃ 1000h
- Damp heat
- 60℃, 90 to 95%RH 1000h
- Minimum order unit(pcs.)
- Japan
- 1,300
- Export
- 1,300
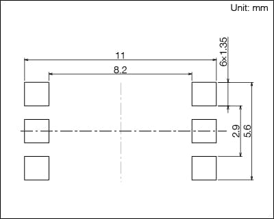
Land Dimensions
Viewed from switch mounting face
Circuit Diagram
Packing Specifications
Taping

- Number of packages (pcs.)
-
- 1 reel
- 1,300
- 1 case / Japan
- 7,800
- 1 case / export packing
- 7,800
- Tape width (mm)
- 24
- Export package measurements (mm)
- 395×395×205
Soldering Conditions
Condition for Reflow
- Heating method
Double heating method with infrared heater. - Temperature measurement
Thermocouple 0.1 to 0.2 Φ CA(K) or CC(T) at solder joints (copper foil surface). A heat resisting tape should be used for fix measurement. - Temperature profile

(1) The above temperature shall be measured of the top of switch. There are cases where PC board’s temperature greatly differs from that of the switch, depending on the material, size, thickness of PC board’s and others. Care, should be taken to prevent the switch’s surface temperature from exceeding 260℃.
(2) Soldering conditions differ depending on reflow soldering machines. Prior verification of soldering condition is highly recommended.
- Allowable soldering time : 2 times Max.
Manual Soldering
- Soldering temperature
- 350℃ max.
- Duration of soldering
- 3s max.
- Capacity of soldering iron
- 60W max.
- Do not washing the TACT Switch™.
- Prevent flux penetration from the top side of the TACT switch™.
- Switch terminals and a PC board should not be coated with flux prior to soldering.
- The second soldering should be done after the switch returns to normal temperature.
Members-Only Content
SKUJBBE010
MEMBERS ONLY
Product Drawing
Product Material List
F-S Curve
Notes are common to this series/models
- This site catalog shows only outline specifications. When using the products, please obtain formal specifications for supply.
- Please place purchase orders for taping products per minimum order unit (1 reel or a case).