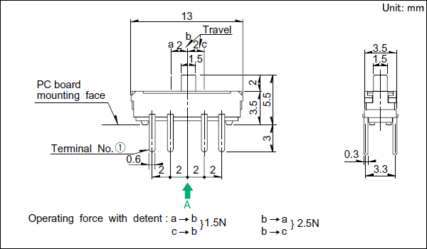
基本信息
- 行程
- 2.0mm
- 操作部方向
- Vertical
- 操作部长度
- 2.0mm
- 电路数
- 2
- 接点数
- 3
- 动作力
- Refer to the dimensions.
- 切换时限
- Non shorting
- 焊接方法
- Manual, Dip
- 尺寸(W×D×H)
- 13.0×3.5×3.5mm
规格
- 使用温度范围
- -40℃ to +85℃
- 最大额定/最小额定(电阻负载)
- 0.3A 6V DC/50μA 3V DC
- 电性能
- 接触电阻(初期/寿命后)
- 70mΩ max./130mΩ max.
- 绝缘电阻
- 100MΩ min. 500V DC
- 耐电压
- 500V AC for 1 minute
- 机械性能
- 端子强度
- 3N for 1 minute
- 操作部强度
- 操作方向
- 20N
- 拉引方向
- 10N
- 耐久性能
- 无负载寿命
- 10,000 cycles 100mΩ max.
- 负载寿命(最大额定负载)
- 10,000 cycles 130mΩ max.
- 耐环境性能
- 耐寒性能
- -40℃ 500h
- 耐热性能
- 85℃ 500h
- 耐湿性能
- 60℃, 90 to 95%RH 500h
- 最小订货单位(pcs.)
- 日本
- 2,000
- 出口
- 10,000
外形图
安装孔尺寸图
自A方向看。
电路图
包装规格
散装
- 包装数(pcs.)
-
- 1箱/日本
- 2,000
- 1箱/出口包装
- 10,000
- 出口包装箱尺寸(mm)
- 400×270×290
焊接条件
浸焊方式的参考举例
- 項目
-
- 预热温度
- 100℃ max.
- 预热温度时间
- 60s max.
- 浸焊
-
- 焊接温度
- 260±5℃
- 焊接浸渍时间
- 3±1s
手工焊接方式的参考举例
- 焊接温度
- 350±10℃
- 焊接时间
- 3 +1/0s(2 times)
表示本系列共通的注释
- 本网站上的产品信息为粗略规格。请在使用前交换正式交付规格。
- 请以最小订购单位的N(整数)倍来订货。
- 关于载带品的试制数量,请以最小订货单位(1卷,1箱)的N倍订货。
使用时的注意事项
- 给端子进行焊接时,如果在端子上施加负载,因条件不同会有松动,变形及电特性退化的可能。
- 焊接时,水溶性助焊剂有可能腐蚀开关的可能,请避免使用。
- 关于焊接的条件设定,请根据实际批量生产时的条件进行。
- 进行两次焊接时,请在第一次焊接部分恢复到常温之后再进行。连续加热可能使外围部变形,端子松动,脱落及电特性降低。
- 请不要让助焊剂从印刷电路板周围,上方流向开关。
- 安装开关后,为了使其它零部件的粘结剂硬化等,通过热硬化炉时,请与我们联系。
- 使用通孔印刷电路板及推荐以外的回路板时,由于热应力的影响会发生变化,所以请事先就焊接条件进行充分的确认。
- 带定位式,请在定位位置进行焊接。如果在定位中点被固定的状态下焊接,定位机构部可能变形。
- 不能清洗。
- 在组合部件安装工序中,特别注意不要对小型,薄型开关施加外力。
- 拧紧安装螺栓类时,在规定的强度内进行。如果超过规定的强度,可能会造成动作不良或螺栓部损坏。
- 安装时,请将产品本体插入到规定的安装面为止,并使其达到水平状态。如果达不到水平状态,会导致动作不良。
- 本产品以直流的电阻负载为前提设计制造的。使用其它负载(感应性负载(L),电容性负载(C))时,请另行确认。
- 开关操作时,如果施加规定以上的负载,开关将有被损坏的可能。请注意不要在开关上施加规定以上的力。
- 如果在尘埃多的环境下使用,尘埃会从开口部进入,造成接触故障和动作不良,整机设计时请预先考虑这一点。
- 如果使用开关的整机的周边材料产生腐蚀性气体,有可能造成接触不良等现象,所以请事先进行充分的确认。
- 保管方法
请将产品以交货时的状态保管在常温,常湿,不受直射日光照射,不产生腐蚀性气体的地方,并以交货日起 6个月以内为期限,尽快使用。
另外,开封后的产品请尽快全部用完。
测量方法・试验方法
- 旋转扭矩(动作力)
- 测量轴(操纵杆)旋转(移动)所需要的旋转扭矩(动作力)。没有特别规定时,在周围温度为5~35℃时进行,轴的旋转速度为每秒60°,操纵杆的移动速度为每秒20mm。
- 轴松脱
- 自基准面,从互相180° 的不同方向给轴垂直施加规定的弯曲力矩,测定从基准面到规定位置的振动大小。
- 耐电压
- 在规定的部位加上一分钟交流电压,观察有无弧光,烧毁,绝缘破坏等异常。试验可在所有的端子上同时进行。没有特别规定的。
但,在结构上导通的地方,可不进行该部分的试验。 - 绝缘电阻
- 用规定电压的绝缘电阻计测量规定的地方。只要没有特别规定,应对下列部位进行试验。但,在构造上导通的地方,此部分可不进行试验。
- 耐电压和绝缘电阻的测量点
-
- 端子和轴(操纵杆)之间
- 端子和金属罩(框架)之间
- 推拉强度(操纵杆推拉强度)
- 向轴(操纵杆)的轴线方向分别施加规定大小的力度10秒钟后,检查操作部及相关部分的变形,损坏状态。