基本信息
- 电路数
- 1
- 接点数
- 1
- 端子形状
- For PC board (Reflow)
- 动作力
- 0.3N max.
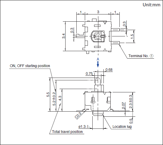
- 滑动杆高度(mm)
- 5.5
- ON位置(mm)
- 5.2
- 全行程位置(mm)
- 4.3
- 安装方法
- Standard
- 定位销
- 有
- 尺寸(W×D×H)
- 3.4×3.0×2.3mm
规格
- 使用温度范围
- -10℃ to +60℃
- 最大额定/最小额定(电阻负载)
- 0.1A 30V DC/50μA 3V DC
- 电性能
- 接触电阻(初期/寿命后)
- 500mΩ max./1Ω max.
- 绝缘电阻
- 100MΩ min. 100V DC
- 耐电压
- 100V AC for 1 minute
- 机械性能
- 端子强度
- 0.5N for 1 minute
- 操作部强度
- 5N
- 耐久性能
- 无负载寿命
- 50,000 cycles 1Ω max.
- 负载寿命(最大额定负载)
- 50,000 cycles 1Ω max.
- 耐环境性能
- 耐寒性能
- -20℃ 96h
- 耐热性能
- 85℃ 96h
- 耐湿性能
- 40℃, 90 to 95%RH 96h
- 最小订货单位(pcs.)
- 日本
- 2,000
- 出口
- 16,000
外形图
焊接处尺寸图
端子排列
电路图
包装规格
载带

- 梱包数(pcs.)
-
- 1卷
- 2,000
- 1箱/日本
- 4,000
- 1箱/出口包装
- 16,000
- 载带宽度(mm)
- 12
- 出口包装箱尺寸(mm)
- 406×406×190
焊接条件
回流方式的参考举例
- 加热方式
远红外线加热的上下加热方式。 - 温度测量方式用
φ0.1~φ0.2的CA(K)或CC(T)进行测量。在焊接的连接部位置(铜箔面)测量,固定方式使用耐热载带。 - 温度分布

| A(℃) 3s max. |
B(℃) | C(s) | D(℃) | E(℃) | F(s) |
|---|---|---|---|---|---|
| 260 | 230 | 40 | 180 | 150 | 120 |
(1) 上述条件 , 为印刷电路板的零部品表面的温度。根据电路板的材质 , 大小 , 厚度等 , 电路板温度和开关表面温度会有很大的不同 , 关于开关表面温度,也请在上述条件内使用。
(2) 根据贴面焊槽的种类 , 条件不同结果不同 , 请事先充分进行确认之后使用。
手工焊接方式的参考举例
- 焊接温度
- 350±5℃
- 焊接时间
- 3s max.
表示本系列共通的注释
- 本网站上的产品信息为粗略规格。请在使用前交换正式交付规格。
- 关于载带品的试制数量,请以最小订货单位(1卷,1箱)的N倍订货。
使用时的注意事项
- 给端子进行焊接时,如果在端子上施加负荷,因条件不同会有松动,变形及电特性退化的可能,请在使用时注意。
- 焊接时,水溶性助焊剂有可能腐蚀开关的可能,请避免使用。
- 关于焊接的条件设定,请根据实际批量生产时的条件进行。
- 不能清洗。
- 本产品以直流的电阻负载为前提设计制造的。使用其它负荷〔感应性负荷(L),电容性负荷(C)〕时,请另行确认。
- 请注意应根据各开关种类规定的跳动和震荡将电路设定(软件设定)成组合部件不产生误动作。
- 注意不能在使用温度范围的上限附近及下限附近长期连续使用。请注意应在使用条件规定的产品规格书中的各种环境试验的范围内。
- 在使用温度上期以及下限附近进行连续动作的时,请注意应根据每台机器的种类确认使用规定是否可能。
- 使用在汽车时,请使用汽车用指定开关。请不要使用没有指定为汽车用的开关。
- 请注意应在从ON开始位置具有充分余地的行程位置(尽可能靠近全行程位置)进行使用。
- 请注意不可将开关的恢复力用作组合部件机械部分的驱动力。
- 在工序内重叠或搬运印刷电路板时,请注意不要横方向给操作部施加外力。
- 在组合部件安装工序中,特别注意不要对小型,薄型开关施加外力。
- 使用通孔印刷电路板及推荐以外的回路板时,由于热应力的影响会发生变化,所以请事先就焊接条件进行充分的确认。
- 由于回路板的弯曲可能引起特性的变化,请充分考虑模式设计及布局。
- 使用比推荐板薄的回路板时,要注意贴装时的开关浮起。
- 如果在尘埃多的环境下使用,尘埃会从开口部进入,造成接触故障和动作不良,整机设计时请预先考虑这一点。
- 如果使用开关的整机的周围材料产生腐蚀性气体,有可能造成接触不良等现象,所以请事先进行充分的确认。
- 保管方法
请将产品以交货时的状态保管在常温,常湿,不受直射日光照射,不产生腐蚀性气体的地方,并以交货日起 6个月以内为期限,尽快使用。
另外,开封后的产品请尽快全部用完。
测量方法・试验方法
- 旋转扭矩(动作力)
- 测量轴(操纵杆)旋转(移动)所需要的旋转扭矩(动作力)。没有特别规定时,在周围温度为5~35℃时进行,轴的旋转速度为每秒60°,操纵杆的移动速度为每秒20mm。
- 轴松脱
- 自基准面,从互相180° 的不同方向给轴垂直施加规定的弯曲力矩,测定从基准面到规定位置的振动大小。
- 耐电压
- 在规定的部位加上一分钟交流电压,观察有无弧光,烧毁,绝缘破坏等异常。试验可在所有的端子上同时进行。没有特别规定的。
但,在结构上导通的地方,可不进行该部分的试验。 - 绝缘电阻
- 用规定电压的绝缘电阻计测量规定的地方。只要没有特别规定,应对下列部位进行试验。但,在构造上导通的地方,此部分可不进行试验。
- 耐电压和绝缘电阻的测量点
-
- 端子和轴(操纵杆)之间
- 端子和金属罩(框架)之间
- 推拉强度(操纵杆推拉强度)
- 向轴(操纵杆)的轴线方向分别施加规定大小的力度10秒钟后,检查操作部及相关部分的变形,损坏状态。