基本信息
- 操作部方向
- Vertical
- 安装方法
- Reflow(无Case hole)
- 总电阻值
- 10kΩ
- 电气有效可变范围
- 333.3°
- 线性保证范围
- 320°
- 线性
- ±2%
- 通孔形状
- φ3.5
- 动作寿命
- 1,000,000 cycles
- 额定电压
- 5V DC
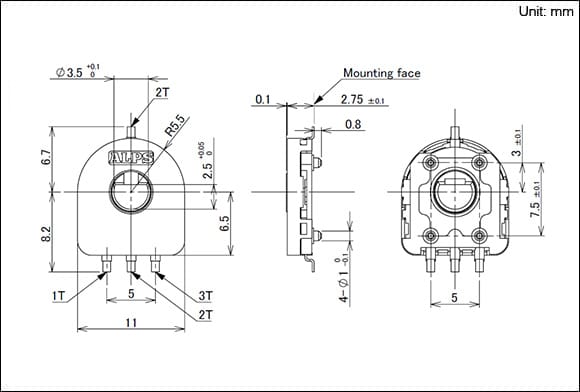
- 尺寸
- 11.0×12.0×2.75mm
规格
- 使用温度范围
- -40℃ to +120℃
- 机械性能
- 旋转扭矩
- 2mN·m max.
- 电性能
- 总电阻值许容误差
- ±30%
- 额定电压
- 5V DC
- 耐环境性能
- 耐寒性能
- -40℃ 168h
- 耐热性能
- 120℃ 168h
- 耐湿性能
- 60℃, 90 to 95%RH 96h
- 最小订货单位(pcs.)
- 日本
- 3,900
- 出口
- 3,900
外形图
印刷电路板安装孔尺寸图
电路图
包装规格
载带

- 梱包数(pcs.)
-
- 1卷
- 1,300
- 1箱/日本
- 3,900
- 1箱/出口包装
- 3,900
- 出口包装箱尺寸(mm)
- 415×407×135
焊接条件
回流方式的参考举例
- 清洗该传感器不能进行清洗。
- 使用焊剂请使用含有10~15wt % 钎剂的乳酪焊剂。
- 焊接次数焊接一次。
- 推荐回流条件

| A | B | C | D | E | F | G | H | I | 回流焊 次数 |
|---|---|---|---|---|---|---|---|---|---|
| 250℃ | 230℃ | 180℃ | 150℃ | 2 min. | - | 5s | 40s | 4 min. | 1 time |
(1) 本产品,在只有红外线的回流焊接炉中,有焊接不附着的可能,所以请使用温风回流焊接炉,或红外线+温风回流焊接炉。
(2) 上图所示温度是采用温风回流焊接方式时的传感器端子部的最高温度。因为根据电路板的材质,大小,厚度等的不同,电路板温度和传感器表面温度有相差很大的可能,请注意,传感器表面温度不要超过250℃。
(3) 根据回流焊接槽的种类,条件不同结果不同,请事先充分进行确认之后使用。
手工焊接方式的参考举例
- 烙铁头温度
- 350±5℃
- 焊接时间
- 3(+1, 0)s
表示本系列共通的注释
- 本网站上的产品信息为粗略规格。请在使用前交换正式交付规格。
- 请以最小订购单位的N(整数)倍来订货。
使用时的注意事项
- 关于化学用品的使用
- 传感器使用了合成树脂,因此请避免在氨、胺类、碱性水溶液、芳烃、酮类、酯类、卤代烃类等化学药品影响特别大的气体氛围下使用。
- 关于噪音对策
- 当从传感器读取数据时,由于受外部噪音混入的影响,偶尔会有输出混乱的情况。为了把这种现象抑制到最小限度,软件上需要以下考虑。
例)- 数据读入时,一定多次进行,取得平均值。
- 对认为是读取错误的数据,判断为无效。
- 当产生疑义时,再次读取,或者组合上述内容,等等。
- 关于焊接
- 焊接时,如图所示,要避免使用让焊剂在印刷基板上面流淌的配线和焊接。
这会导致端子部的接触不良。当无法避免时,请事先咨询我们。

- 关于接触阻抗
- 由于电阻型位置传感器的结构,在传感器内部会产生接触电阻(以下的R1)。
为减轻接触电阻(R1)的影响,使用前请将连接到输出端子的电路的内部阻抗设置为1MΩ 或更高的值。

- 关于结露
- 不要在电阻表面等结露,水滴附着的条件下使用传感器。可能会造成绝缘劣化或短路。
- 保管方法
-
- 产品以交货时的状态在常温,常湿,不受直射阳光照射,不产生腐蚀性气体的场所保管,自交货起6个月以内为限度,请尽可能快地使用。
- 开封后用聚乙烯袋与外气隔断,请在与上述相同环境下保管,并尽快使用。
- 请不要过分地堆积。
测量方法・试验方法
电阻式位置传感器
- 总电阻值
- 如无特别规定,总电阻值应测量电阻器端子1和3之间的电阻值。
- 额定电压
- 与额定功率对应的电压作为额定电压通过下式计算。但是,当所计算出的额定电压超过最高使用电压时,最高使用电压作为额定电压。
