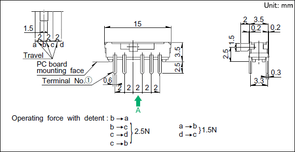
基本情報
 
            
             
            - 移動量
- 2.0mm
- 操作部方向
- Horizontal
- 操作部長さ
- 2.0mm
- 回路数
- 1
- 接点数
- 4
- 作動力
- 外形図参照
- 切換タイミング
- Non shorting
- はんだ付方法
- Manual, Dip
- 外形サイズ(W×D×H)
- 15.0×3.5×3.5mm
仕様
- 使用温度範囲
- -40℃ ~ +85℃
- 最大定格/最小定格(抵抗負荷)
- 0.3A 6V DC/50μA 3V DC
- 電気的性能
- 接触抵抗(初期/寿命後)
- 70mΩ max./130mΩ max.
- 絶縁抵抗
- 100MΩ min. 500V DC
- 耐電圧
- 500V AC for 1 minute
 
- 機械的性能
- 端子強度
- 3N for 1 minute
- 操作部強度
- 作動方向
- 20N
- 引張方向
- 10N
 
 
- 耐久性能
- 無負荷寿命
- 10,000 cycles 100mΩ max.
- 負荷寿命(最大定格負荷にて)
- 10,000 cycles 130mΩ max.
 
- 耐候性
- 耐寒性
- -40℃ 500h
- 耐熱性
- 85℃ 500h
- 耐湿性
- 60℃, 90 ~ 95%RH 500h
 
- 最小発注単位(pcs.)
- 国内
- 2,000
- 輸出
- 10,000
 
取付穴寸法図
外形図内A方向より見る
梱包仕様
バルク
- 梱包数(pcs.)
- 
- 1箱/国内
- 2,000
- 1箱/輸梱
- 10,000
 
- 輸出梱包箱寸法(mm)
- 400×270×290
はんだ付条件
ディップ方式の参考例
- 項目
- 
- プリヒート温度
- 100℃ max.
- プリヒート時間
- 60s max.
 
- ディップはんだ
- 
- はんだ温度
- 260±5℃
- はんだ浸漬時間
- 3±1s
 
手はんだ方式の参考例
- はんだ温度
- 350±10℃
- はんだ付け時間
- 3 +1/0s(2 times)
当シリーズ共通の注記
- 当サイトの製品情報は概略仕様です。ご使用にあたっては正式納入仕様書の取交わしをお願いします。
- ご注文は最小発注単位のN(整数)倍でいただけますようお願いいたします。
- テーピング品は、最小発注単位(1リール、1箱)のN倍でご注文をお願いいたします。
ご使用上の注意
- 端子をはんだ付けされる場合、端子に荷重が加わりますと条件により、がた、変形および電気的特性劣化のおそれがありますのでご注意ください。
- はんだ付けの際、 水溶性フラックスはスイッチを腐食させるおそれがありますのでご使用はお避けください。
- はんだ付けの条件設定については、 実際の量産条件で確認されるようお願いいたします。
- はんだ付けを2回行う場合、 1回目のはんだ付部が常温に戻ってから行ってください。 続けて加熱しますと外郭部の変形、 端子のがた、 脱落および電気的特性劣化のおそれがあります。
- プリント基板周囲、 上方からフラックスがスイッチへ付着しないようにしてください。
- スイッチを取付けた後、 他の部品の接着剤硬化などのため熱硬化炉を通す場合は、 当社にご相談ください。
- スルーホールのプリント基板および推奨以外の基板をご使用される場合は、 熱ストレスの影響が変化しますので、 はんだ付け条件については事前に十分ご確認ください。
- クリック付タイプは、 クリック位置ではんだ付けください。 クリック中点止めされた状態ではんだ付けされますと、 クリック機構部が変形することがあります。
- 洗浄はできません。
- 特に小型、 薄型のスイッチはセット取付け工程において外力が加わらないようご注意ください。
- 取付けねじ類の締付けには規定の強度以内で行ってください。 規定以上の力で締付けますと、 動作不良またはねじ部の破損の要因となります。
- 製品本体を規定の取付面まで挿入して水平になるように取付けてください。 水平にならないまま取付けますと、 動作不良の要因となります。
- 当製品は直流の抵抗負荷を想定して設計・製造されています。 その他の負荷 [誘導性負荷 (L)、容量性負荷 (C)] でご使用される場合は、 別途ご相談ください。
- スイッチ操作時に規定以上の荷重が加わるとスイッチが破損する場合があります。 スイッチに規定荷重以上の力が加わらないようにご注意ください。
- 塵埃が多い環境で使用されますと、 塵埃が開口部から入り接触障害や動作不良の原因となることがありますので、 セット設計時に予めご配慮ください。
- スイッチを使用するセットの周辺部材から腐食性ガスが発生しますと、 接触不良などの不具合の原因になるおそれがありますので、 事前に十分ご確認ください。
- 保管方法
 製品は納入形態のまま常温、常湿で直射日光の当たらず腐食性ガスが発生しない場所に保管し、納入から6ヵ月以内を限度としてできるだけ早くご使用ください。
 なお、開封後はすみやかに全数量を使い切ってください。
測定・試験方法
- 回転トルク(作動力)
- 軸(レバー)を回転(移動)するのに必要なトルク(作動力)を測定する。特に規定がない限り、周囲温度5~35℃で行い、軸の回転速度は毎秒60°、レバーの移動速度は、毎秒20mmとする。
- 軸がた
- 基準面より、規定の曲げモーメントを互いに180°異なる方向から軸に直角に加えて、基準面から規定の位置における振れの大きさを測定する。
- 耐電圧
- 規定の箇所に交流電圧を1分間加え、アーク、焼損、絶縁破壊などの異常の有無を調べる。試験は、それぞれの端子を一括して行ってもよい。特に規定がない限り、下記の箇所の試験とする。ただし、構造上導通する機構になっているものでは、その部分の試験は行わない。
- 絶縁抵抗
- 規定の箇所を規定の電圧の絶縁抵抗計で測定する。特に規定がない限り、下記の箇所を試験する。
 ただし、構造上導通する機構になっているものでは、その部分の試験は行わない。
- 耐電圧と絶縁抵抗の測定箇所
- 
- 端子と軸(レバー)との間
- 端子と金属カバー(枠)との間
 
- 押しおよび引張り強度(レバーの押しおよび引張り強度)
- 軸(レバー)の軸線方向に規定の大きさの力をそれぞれ10秒間加えた後、操作部および関連部分の変形、破壊、動作状態を調べる。
 
                   
                  