基本情報
- 抵抗素子数
- 単連
- 操作部方向
- Vertical
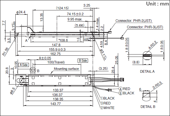
- 移動量
- 100mm
- タイプ
- モータVフェーダタイプ
- 操作部長さ
- 10.95mm
- 全抵抗値
- 10kΩ
- 抵抗変化特性
- 1B
- 端子形状
- Connector
- タッチセンストラック
- なし
仕様
- 使用温度範囲
- -10℃ ~ +60℃
- 耐久性能
- 動作寿命
- 100,000 cycles
- 電気的性能
- 全抵抗値許容差
- ±20%
- 最高使用電圧
- 500V AC, 10V DC
- モーター定格電圧
- 8V DC
- モーター最大電流
- 625mA or less (at 5V DC)
- 定格電力
- 0.5W
- 絶縁抵抗
- 100MΩ min. 250V DC
- 耐電圧
- 250V AC for 1 minute
- 機械的性能
- 作動止め強度
- 10N
- 操作部の押引強度
- 20N
- 操作部の横振れ ※両側
- 1.752mm
- 操作部の偏心 ※片側
- 0.5mm max.
- 最小発注単位(pcs.)
- 国内
- 80
- 輸出
- 80
梱包仕様
トレイ
- 梱包数(pcs.)
-
- 1箱/国内
- 80
- 1箱/輸梱
- 80
- 輸出梱包箱寸法(mm)
- 540×360×205
当シリーズ共通の注記
- 当サイトの製品情報は概略仕様です。ご使用にあたっては正式納入仕様書の取交わしをお願いします。
- ご注文は最小発注単位のN(整数)倍でいただけますようお願いいたします。