製品番号

FLHB2SE16B

オールガラスレンズ(レンズアレイタイプ) レンズアレイタイプ
MEMBERS ONLY

基本情報

製品写真
製品写真
設計波長 λ(nm)
1,310
適合波長例 λ(nm)
1310/1550
有効NA
LD/PD
0.176
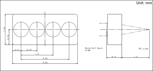
焦点距離 f(mm)
1.7
L1[WD](mm)
1.3
ビーム径目安(mm)
0.60
対応素子
Pitch 0.75mm
外形サイズ(mm)
T
0.71
H
1.44
W
3.05
素材
レンズ部
L-LAH84
使用温度
-40℃ ~ +85℃
保存温度
-40℃ ~ +100℃
耐高温高湿度
85℃ 85%

ご使用上の注意

  1. 製品改良などにより外観および記載事項の一部を予告なく変更する場合があります。
  2. 当サイトの情報は概略仕様です。ご使用に当たっては正式納入仕様書の取交わしが必要です。
  3. 当サイトに記載されている社名、製品名は各社の商標または登録商標です。
  4. 本製品は外国為替および外国貿易管理法に定める戦略物資など(または役務)に該当するため、 輸出に際しては、日本政府の輸出許可が必要です。

カスタム対応

非球面ガラスレンズカスタム対応について

標準品以外のご要求につきましたは、各種アプリケーションを準備しております。
※なお一部制約事項が含まれている場合もあります。

標準レンズの部分変更について
波長違い単層膜、広帯域複層膜
反射防止膜については、標準設定波長(1310nm, 1550nm)以外のお客様指定の波長に対応する反射防止膜をおつけすることができます。広帯域対応の複層膜の対応も可能ですので、別途ご確認をお願いします。
ホルダASSY品
標準レンズをお客様指定形状、寸法のホルダーに溶接固定するものです。
ホルダー仕様/固定寸法詳細につきましては、別途ご確認をお願いします。
カスタム仕様のレンズについて

お客様の仕様を優先したお客様専用のレンズにも対応いたします。
専用レンズに更にホルダーなどを付加するものについても対応いたします。
準備費用はお客様のご負担となりますので、詳細は別途ご確認をお願いします。

その他

レンズ以外の光学部品(非球面ミラーなど)についてもご相談を承ります。