Part number

RSA0V11M9001

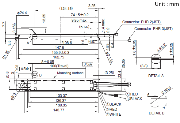
Motor-driven Master Type (Motor V Fader)
Successor Product:
RSA0V11M9002

Basic information

Product Photo
Product Photo
Number of resistor elements
Single-unit
Direction of lever
Vertical
Travel
100mm
Type
Motor V fader
Length of lever
10.95mm
Total resistance
10kΩ
Resistance taper
1B
Terminal style
Connector
Touch sense track
Without

Specifications

Operating temperature range
-10℃ to +60℃
Durability
Operating life
100,000 cycles
Electrical performance
Total resistance tolerance
±20%
Maximum operating voltage
500V AC, 10V DC
Rated voltage of motor
8V DC
Maximum current of motor
625mA or less (at 5V DC)
Rated power
0.5W
Insulation resistance
100MΩ min. 250V DC
Voltage proof
250V AC for 1 minute
Mechanical performance
Stopper strength
10N
Lever push-pull strength
20N
Lever wobble (Both side)
1.752mm
Lever deviation (One side)
0.5mm max.
Minimum order unit(pcs.)
Japan
80
Export
80

Packing Specifications

Tray
Number of packages (pcs.)
1 case / Japan
80
1 case / export packing
80
Export package measurements (mm)
540×360×205

Notes are common to this series/models

  1. This site catalog shows only outline specifications. When using the products, please obtain formal specifications for supply.
  2. Please place purchase orders per minimum order unit (integer).