Part number
RDC501055A
Rotary Type RDC50 Series
Automotive
MEMBERS ONLY
Basic information
- Control part orientation
- Vertical
- Mounting method
- Manual, DIP (Without case hole)
- Total resistance
- 10kΩ
- Effective electrical range
- 333.3°
- Linearity guarantee range
- 320°
- Linearity
- ±2%
- Hollow shaft variation
- φ3.5
- Operating life
- 1,000,000 cycles
- Rated voltage
- 5V DC
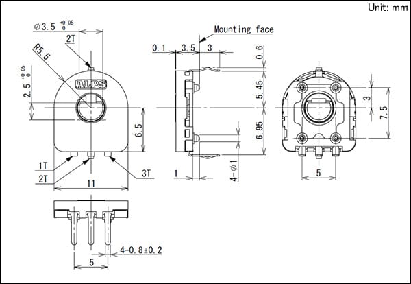
- Dimensions
- 11.0×12.0×3.5 mm
Specifications
- Operating temperature range
- -40℃ to +120℃
- Mechanical performance
- Rotational torque
- 2mN·m max.
- Electrical performance
- Total resistance tolerance
- ±30%
- Environmental test
- Cold
- -40℃ 168h
- Dry heat
- 120℃ 168h
- Damp heat
- 60℃, 90 to 95%RH 96h
- Minimum order unit(pcs.)
- Japan
- 1,500
- Export
- 3,000
Mounting Hole Dimensions
Circuit Diagram
Packing Specifications
Tray
- Number of packages (pcs.)
-
- 1 case / Japan
- 1,500
- 1 case / export packing
- 3,000
- Export package measurements (mm)
- 526×370×191
Soldering Conditions
Reference for Dip Soldering
- Preheating
-
- Soldering surface temperature
- 100 to 150℃
- Heating time
- 1 min. max.
- Dip soldering
-
- Soldering temperature
- 260±5℃
- Soldering time
- 10±1s
- No. of solders
- 1 time
Reference for Hand Soldering
- Tip temperature
- 350±5℃
- Soldering time
- 3(+1, 0)s
Notes are common to this series/models
- This site catalog shows only outline specifications. When using the products, please obtain formal specifications for supply.
- Please place purchase orders per minimum order unit (integer).
Cautions
- Use of Chemicals
- The sensors make use of synthetic resins, therefore avoid use in environments where there is a strong presence of gases from chemicals such as ammonia, amines, alkaline aqueous solutions, aromatic hydrocarbons, ketones, esters and halogenated hydrocarbons.
- Measures to Deal with Noise Problems
- While data is being received from the sensor, on rare occasions, penetrating external noise may cause interference with the outputs.
To minimize the probability of this phenomenon pay attention to the following when you program the relevant software
ex)- Receiving of data should always be repeated a number of times to ensure that you obtain a mean value.
- Have the system determine when/how to invalidate any data received in error.
- When doubt occurs let the system receive the subject data again and reconfirm that you have eliminated the anomaly.
- Soldering
- Avoid wiring and soldering that causes the solder to seep through to the top of the PC board (as illustrated). This can lead to a contact failure in the terminal section. If solder seepage is unavoidable, please consult with us.

- Connection Impedance
- Resistive position sensors are constructed in a way that contact resistance (R1 below) occurs within the sensor. To reduce the effect of contact resistance (R1), set the impedance within the circuit connected to the output terminal to greater than 1MΩ.

- Dew Condensation
- Avoid using the sensor where dew or water vapor might be caused to condense on the surface of the resistor - deterioration of insulation or shorting may occur.
- Storage
-
- Store the products as delivered, at a normal temperature and humidity, without direct sunshine and corrosive gas ambient. Use them at an earliest possible timing, not later than six months upon receipt.
- After breaking the seal, keep the products in a plastic bag to shut out ambient air, store them in the same environment as above, and use them up as soon as possible.
- Do not stack too many switches.
Measurement and Test Methods
Resistive Position Sensor
- Total Resistance
- Unless otherwise specified, total resistance is the resistance measured between resistor terminals 1 and 3.
- Rated Voltage
- The rated voltage corresponding to the rated power shall be determined by the following equation. When the resulting rated voltage exceeds the maximum operating voltage of a specific resistor, the maximum operating voltage shall be taken as the rated voltage.
