Part number
HCEPM0A006A
AirInput™ Panel HCEPM Series
MEMBERS ONLY
Basic information
- Detection type
- Z value for each cell
- Dedicated control software
- Without
- Size
- 7.8 inch
- Panel dimensions
- 130.0×175.0×2.14mm
- View area dimensions
- 120×160mm
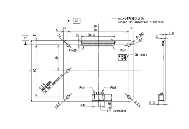
- PC board dimensions
- 80.0×70.0mm
- Output type
- Asynchronous serial (UART)
- I/F connector
- 502352-0500/Molex
- Current consumption
- Typ.15mA
Specifications
- Weight
- 120g
- Port rate
- 115200bps
- No. of cell electrodes
- 15
- Cell electrode size
- 34×27mm
- Supply voltage
- Typ. 5.0V
- Output data I/F
-
Capacitance change value for each cell
UART (serial) - Finger detection
- Analog detection of finger height for each cell (electrode) (multi-output)
- Environmental conditions for operation
- Temperature
- 0 to 40℃
- Humidity
- 0 to 40℃: Up to 90% (no condensation)
Dimensions (Sensor Panel)
Dimensions (PC Board)
Notes are common to this series/models
- Included in the box for HCEPM0C002 is a license key for dedicated control software. (Being prepared as a bundled product for customer sample, low-volume requests)
- HCEPM0A006 cell electrode output values are UART output, therefore data processing needs to be performed on a PC.