基本信息
- 电阻体数
- 单联
- 安装方向
- Vertical
- 行程
- 100mm
- 型
- Motor V fader
- 操作部长度
- 10.95mm
- 总阻值
- 10kΩ
- 电阻规律
- 1B
- 端子形状
- Connector
- 感触轨迹
- 无
规格
- 使用温度范围
- -10℃ to +60℃
- 耐久性能
- 操作寿命
- 100,000 cycles
- 电性能
- 总阻值允许差
- ±20%
- 最高使用电压
- 500V AC, 10V DC
- 马达额定电压
- 8V DC
- 马达最大电流
- 625mA or less (at 5V DC)
- 额定功率
- 0.5W
- 绝缘电阻
- 100MΩ min. 250V DC
- 耐电压
- 250V AC for 1 minute
- 机械性能
- 止挡强度
- 10N
- 操作部的推拉强度
- 20N
- 操作部的横振动(两侧)
- 1.752mm
- 操作部的偏心(一侧)
- 0.5mm max.
- 最小订货单位(pcs.)
- 日本
- 80
- 出口
- 80
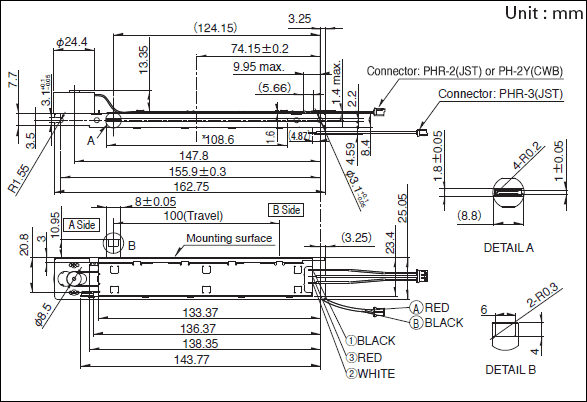
外形图
电路图
包装规格
托盘
- 包装数(pcs.)
-
- 1箱/日本
- 80
- 1箱/出口包装
- 80
- 出口包装箱尺寸(mm)
- 540×360×205
表示本系列共通的注释
- 本网站上的产品信息为粗略规格。请在使用前交换正式交付规格。
- 请以最小订购单位的N(整数)倍来订货。