产品编号

FLHB2SE16B

裸透镜(透镜阵列) Lens Array for PD coupling
MEMBERS ONLY

基本信息

产品照片
产品照片
设计波长 λ(nm)
1,310
适用波长示例 λ(nm)
1310/1550
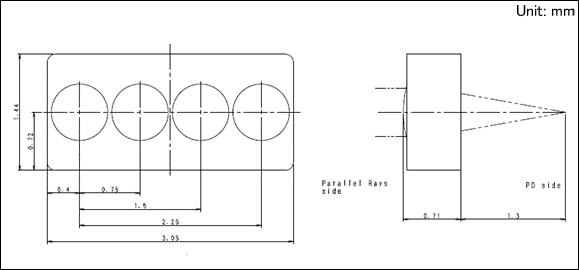
有效NA
LD/PD
0.176
焦点距离 f(mm)
1.7
L1[WD](mm)
1.3
射束直径标准(mm)
0.60
适用装置
Pitch 0.75mm
外部尺寸(mm)
T
0.71
H
1.44
W
3.05
材料
透镜部分
L-LAH84
使用温度
-40℃ ~ +85℃
保存温度
-40℃ ~ +100℃
耐高温高湿度
85℃ 85%

使用时的注意事项

  1. The appearance and specifications of the product may be modified without prior notice to improve its performance.
  2. This site shows only outline specifications. When using the product, please obtain formal specifications for supply.
  3. All products and brand names provided in this site are trademarks or resistered trademarks of their respective owners.
  4. This product comes under strategic material (or services) defined by the Foreign Exchange and Foreign Trade Control Law and, for export, a Japanese Government export permit is required.

支持定制

关于应对定制非球面玻璃透镜

针对非标准产品的要求,我们准备有各种方案来满足客户的要求。
注:根据情况,将包含一部分受限事项。

关于标准透镜的部分变更
不同波长的单层膜、宽带复层膜
关于防反射膜,支持标准设定波长(1310nm, 1550nm)以外的客户指定波长。可以追加防反射膜。还可以应对宽带复层膜,详情请另行确认。
镜架组件
将标准透镜焊接固定在客户指定形状、尺寸的镜架上。
关于镜架规格/固定尺寸的详细说明,请另行确认。
关于定制规格的透镜

以客户的规格为优先,可支持客户专用的透镜。
也可支持在专用透镜上进一步附加镜架等。准备费用由客户负担,因此有关详情请另行确认。

其它

我们还承接有关透镜之外的光学零件(非球面反光镜等)的商谈。