基本信息
- 操作部长度
- 14.5mm
- 定位扭矩
- 40±14mN·m
- 定位数
- 18
- 脉冲数
- 9
- 尺寸
- 50mm size
规格
- 使用温度范围
- -40℃ to +85℃
- 电性能
- 额定
- 1mA 5V DC
- 输出信号
- A, B, 2相输出
- 绝缘电阻
- 10MΩ min. 250V DC
- 耐电压
- 50V AC for 1 minute or 60V AC for 2s
- 机械性能 操作部强度
- 钦按方向
- 100N
- 拉引方向
- 50N
- 耐久性能
- 操作寿命
- 40,000 cycles
- 最小订货单位(pcs.)
- 日本
- 200
- 出口
- 400
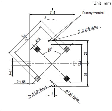
外形图
安装孔尺寸图
自插入侧所看到的图
布线表示配线禁止部
输出波形
滑动噪音
V1=V2=2.5V max.
R=5kΩ时 振荡 :5ms max. 跳动 :5ms max.
包装规格
托盘
- 包装数(pcs.)
-
- 1箱/日本
- 200
- 1箱/出口包装
- 400
- 出口包装箱尺寸(mm)
- 540×360×290
焊接条件
浸焊方式的参考举例
- 预热
-
- 焊接面表面温度
- 100℃ max.
- 加热时间
- 2 min. max.
- 浸焊
-
- 焊接温度
- 260±5℃
- 焊接时间
- 5±1s
- 焊接次数
- 2 time max.
手工焊接方式的参考举例
- 烙铁头温度
- 350℃ max.
- 焊接时间
- 3s max.
- 焊接次数
- 1 time
表示本系列共通的注释
- 本网站上的产品信息为粗略规格。请在使用前交换正式交付规格。
- 请以最小订购单位的N(整数)倍来订货。
使用时的注意事项
- 关于脉冲数处理
- 在编码器脉冲计数处理的设计中,注意动作速度,取样时间,屏蔽时间等,在贴装确认之后使用。同时,最好在编码器脉冲计数处理回路中设置下图所示的滤波器。

- 关于输出规定
- 编码器的定位位置的输出调节可分为 A 相及 B 相均可实现输出规定的产品与仅 A 相可以实现输出规定产品,具体的输出规定取决于定位数等。

- 关于结露
- 请避免在编码器的图形面等结露或附有水滴的条件下使用。否则会造成绝缘能力降低和短路。
- 关于使用环境
- 如果在尘埃多的环境下使用,尘埃会从开口部进入,造成接触故障和动作不良,整机设计时请预先考虑这一点。如果使用编码器的整机的周边材料产生腐蚀性气体 , 有可能造成接触不良等现象 , 所以请事先进行充分的确认。
- 关于操作
- 编码器操作时,如果施加规定以上的负荷,编码器将有被损坏的可能。请注意不要在编码器上施加规定以上的力。
- 关于轴松动
- 轴长很长时,松动 ( 偏差 ) 与轴长成比例增大,请在实际使用时确认。
- 关于安装
- 安装时,请将产品本体插入到规定的安装面为止,并使其达到水平状态。如果达不到水平状态 , 会导致动作不良。拧紧安装螺栓类时,在规定的强度内进行。如果超过规定的强度,可能会造成动作不良或螺栓部损坏。在组合部件安装工序中,特别注意不要对小型,薄型编码器施加外力。
- 关于焊接
-
- 如图所示,请避免将接线焊接到印刷电路板表面,否则可能会导致接触不良。
插入基板的金属脚,请焊接使用。

- 给端子进行焊接时,如果在端子上施加负荷 , 因条件不同会有松动,变形及电特性劣化的可能,请在使用时注意。
- 焊接时,水溶性助焊剂有可能腐蚀开关的可能,请避免使用。
- 关于焊接的条件设定 , 请根据实际批量生产时的条件进行。
- 进行两次焊接时,请在第一次焊接部分恢复到常温之后再进行。连续加热可能使外围部变形,端子松动,脱落及电特性降低。
- 请不要让助焊剂从印刷电路板周围,上方流向开关。
- 安装开关后,为了使其它零部件的粘结剂硬化等,通过热硬化炉时,请与我们联系。
- 使用通孔印刷电路板及推荐以外的回路板时,由于热应力的影响会发生变化,所以请事先就焊接条件进行充分的确认。
- 带定位式,请在定位位置进行焊接。如果在定位中点被固定的状态下焊接,定位机构部可能变形。
- 不能清洗。
- 如图所示,请避免将接线焊接到印刷电路板表面,否则可能会导致接触不良。
- 关于药品的使用
- 由于绝缘型轴上使用了聚碳酸酯等合成树脂,请避免在氨,胺类,硷溶液,芳香族炭化氢,酮类,酯类,卤化炭化氢等的环境,特别是强气体环境中使用。
- 关于低温时的使用
- 象汽车用收音机,汽车立体声设备等有在低温下使用的可能时,可以对应即使在低温状态下也容易进行旋转操作。定货时,请指定有无低温特性需要。
- 保管方法
-
- 产品以交货时的状态在常温,常湿,不受直射阳光照射,不产生腐蚀性气体的场所保管,自交货起6个月以内为限度,请尽可能快地使用。
- 开封后用聚乙烯袋与外气隔断,请在与上述相同环境下保管,并尽快使用。
- 请不要过分地堆积。
测量方法・试验方法
- 旋转扭矩(动作力)
- 测量轴(操纵杆)旋转(移动)所需要的旋转扭矩(动作力)。没有特别规定时,在周围温度为5~35℃时进行,轴的旋转速度为每秒60°,操纵杆的移动速度为每秒20mm。
- 轴松脱
- 自基准面,从互相180° 的不同方向给轴垂直施加规定的弯曲力矩,测定从基准面到规定位置的振动大小。
- 耐电压
- 在规定的部位加上一分钟交流电压,观察有无弧光,烧毁,绝缘破坏等异常。试验可在所有的端子上同时进行。没有特别规定的。
但,在结构上导通的地方,可不进行该部分的试验。 - 绝缘电阻
- 用规定电压的绝缘电阻计测量规定的地方。只要没有特别规定,应对下列部位进行试验。但,在构造上导通的地方,此部分可不进行试验。
- 耐电压和绝缘电阻的测量点
-
- 端子和轴(操纵杆)之间
- 端子和金属罩(框架)之间
- 推拉强度(操纵杆推拉强度)
- 向轴(操纵杆)的轴线方向分别施加规定大小的力度10秒钟后,检查操作部及相关部分的变形,损坏状态。